18649041310 15562599559
网站首页
关于我们
新闻资讯
公司新闻
行业动态
产品展示
压力
物位
流量
温度
环境监测
解决方案
资料下载
仪表选型
仪表说明书
产品操作视频
人才招聘
联系我们
产品展示
Product center
压力
压力变送器
压力开关
进口压力变送器
物位
物位计
物位开关
E+H物位计
流量
流量计
流量开关
奥巴尔产品
温度
温度变送器
温度开关
elettrotec产品
环境监测
土壤监测传感器
温湿度传感器
环境检测传感器
联系我们
手机:
18649041310 15562599559
电话:
0531-88628759-801
传真:
0531-88628759-808
邮件:
rip_sf@126.com
邮政编码:
301700
网址:
http://www.rip-sf.com
地址:
天津市武清区建国北路京津时尚广场3-703(天津)
山东省济南市历山北路黄台电子商务园726(山东)
当前位置:
网站首页
>>
产品展示
>>
物位
>>
物位计
>>
查看详情
物位计
RPDB50系列多功能液位变送器/液位开关
产品特点
电气参数
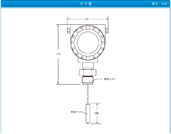
外形尺寸
产品选型
安装注意事项
注意事项
1、前端传感器膜片是精密的感压元件,请勿以物体剌探,请勿堵塞。
2、请保证测量介质对所选择的传感器不造成影响。
3、高空掉落会对传感器造成严重损坏。
4、请严格按照选型表耐压范围里使用,过压会造成传感器的损坏。
5、请严格按照选型表上规定的电压、电流范围使用,不能超过额定电压和电流。最好选择线性电源供电。
6、若介质含泥沙或者较脏物质,请安装过滤装置或把液位计位置提高。
7、为了避免损害器件,耐压和最高温度不能超过允许的范围,即使是短暂的过程中。操作中可以允许在启动和测试时达到最大压力和最高温度,但是在连续操作中,一定要严格按照范围制定的数据来操作。长时间的工作在最大压力和最高温度下会缩短传感器的寿命。
8、在温度变化大的地方不会损害或影响传感器,但是在潮湿的地方要将接线口密封防止湿气。
9、禁止改变或修整元件,如果必须更改,必须先要和我公司咨询。
10、要注意对元件的监控,注意元件是否有飘移或者跳动的情况发生,如果有,要立刻进行检查。
11、对元件进行预防性的维护和定期的检查是很重要的,可以检查元件是否有损害,这些可能会危及到财产和人员安全。
12、对于所有的元件,在使用前都必须检查出厂设置。
13、本产品的安装、调试、维护应由具备资质的工程技术人员进行。
安装方式说明
1、液位探头可垂直安装在罐体、槽内,应确保避免泥沙等杂质埋没或堵塞变送器传感器探头部分,导气电缆不能对折以及大角度的弯曲(线缆中间有导气管)。
2、在介质波动较大时,应采取措施固定变送器探头部分,例如:加导波管或固定;
3、导气电缆除作为电源和信号传输外,还起到关键的大气补偿作用,安装时应避免对线缆锁定太紧或过于锐角弯折,以防止导气管不通或折断;
4、壳体垂直安装在罐体上方或附近的支架上,同时确保防晒透气,安装位置便于接线和调试。
5、为确保变送器能够稳定准确的正常工作, 测试液位前应通电预热 15 分钟。
线缆要求
1、在接线前请将所有电源都切断,在电源供应的情况下操作接线,禁止带电操作。
2、工作电压不能超过所要求的电压,超负荷使用第一次就会损坏传感器。
3、所有电线必须符合国家和当地的电气标准。推荐使用0.3平方带屏蔽网电缆。
上一产品:
RPM51F/FP分体式超声波物(液)位仪
下一产品:
RPRD9X超高频调频连续波雷达物位计
网站首页
关于我们
新闻资讯
产品展示
解决方案
资料下载
人才招聘
联系我们
手机:
18649041310 15562599559
电话:
0531-88628759-801
地址:
天津市武清区建国北路京津时尚广场3-703(天津)
山东省济南市历山北路黄台电子商务园726(山东)
邮件:
rip_sf@126.com
网址:
http://www.rip-sf.com
天津瑞普四方科技发展有限公司
版权所有
津ICP备19000443号-1
技术支持:
中央网信办互联网违法和不良信息举报中心:https://www.12377.cn/ 天津市互联网违法和不良信息举报中心:tjjubao@tj.gov.cn https://www.qinglangtianjin.com/
咨询电话
手机:18649041310
手机:13552327690
电话:022-59687122~801
在线客服
产品:81728616
销售:504582456
售后:1873659802
快递查询:383307687
微信咨询
留言咨询