18649041310 15562599559
网站首页
关于我们
新闻资讯
公司新闻
行业动态
产品展示
压力
物位
流量
温度
环境监测
解决方案
资料下载
仪表选型
仪表说明书
产品操作视频
人才招聘
联系我们
产品展示
Product center
压力
压力变送器
压力开关
进口压力变送器
物位
物位计
物位开关
E+H物位计
流量
流量计
流量开关
奥巴尔产品
温度
温度变送器
温度开关
elettrotec产品
环境监测
土壤监测传感器
温湿度传感器
环境检测传感器
联系我们
手机:
18649041310 15562599559
电话:
0531-88628759-801
传真:
0531-88628759-808
邮件:
rip_sf@126.com
邮政编码:
301700
网址:
http://www.rip-sf.com
地址:
天津市武清区建国北路京津时尚广场3-703(天津)
山东省济南市历山北路黄台电子商务园726(山东)
当前位置:
网站首页
>>
产品展示
>>
物位
>>
物位开关
>>
查看详情
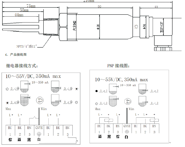
物位开关
RPD10系列音叉开关
产品特点
电气参数
外形尺寸
产品选型
安装注意事项
注意事项
a. 安装传感器时,将其插入罐体,用扳手卡住传感器螺纹上部的六方形拧紧即可,注意不要用手拧动壳体,因为在拧紧的过程中会造成壳体与探杆间发生转动。在出厂时壳体内部的电子单元与传感器的连接电缆已接好,用力拧壳会使内部的连接电缆拉断。
b. 安装施工时注意叉体不要受到强烈冲击,以免损坏压电晶体。
c. 仪表传感器应尽量避开物料的冲击,水平安装时,叉体的两个平行叉
板应取与地面垂直方式(此时叉体方向标记冲上或者冲下),以保证物料能容易地从叉板之间流出。
上一产品:
没有了
下一产品:
RPD20系列射频开关
网站首页
关于我们
新闻资讯
产品展示
解决方案
资料下载
人才招聘
联系我们
手机:
18649041310 15562599559
电话:
0531-88628759-801
地址:
天津市武清区建国北路京津时尚广场3-703(天津)
山东省济南市历山北路黄台电子商务园726(山东)
邮件:
rip_sf@126.com
网址:
http://www.rip-sf.com
天津瑞普四方科技发展有限公司
版权所有
津ICP备19000443号-1
技术支持:
中央网信办互联网违法和不良信息举报中心:https://www.12377.cn/ 天津市互联网违法和不良信息举报中心:tjjubao@tj.gov.cn https://www.qinglangtianjin.com/
咨询电话
手机:18649041310
手机:13552327690
电话:022-59687122~801
在线客服
产品:81728616
销售:504582456
售后:1873659802
快递查询:383307687
微信咨询
留言咨询